West Harbor Port of Los Angeles
San Pedro, CA
ARCHITECT: Studio One Eleven
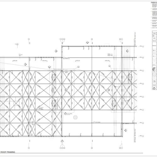
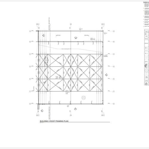
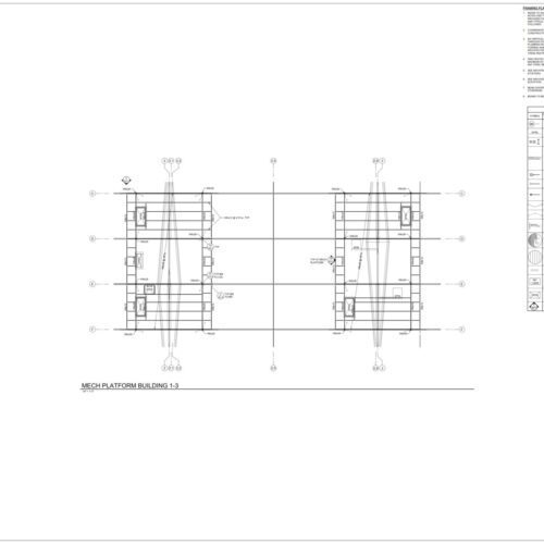
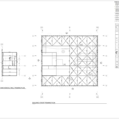
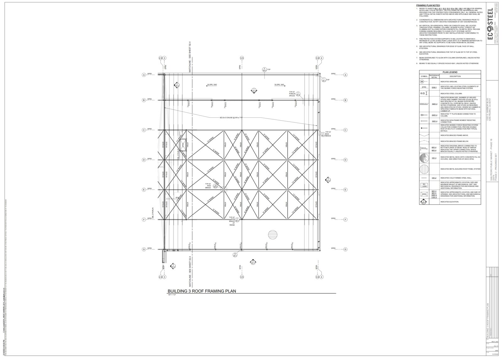
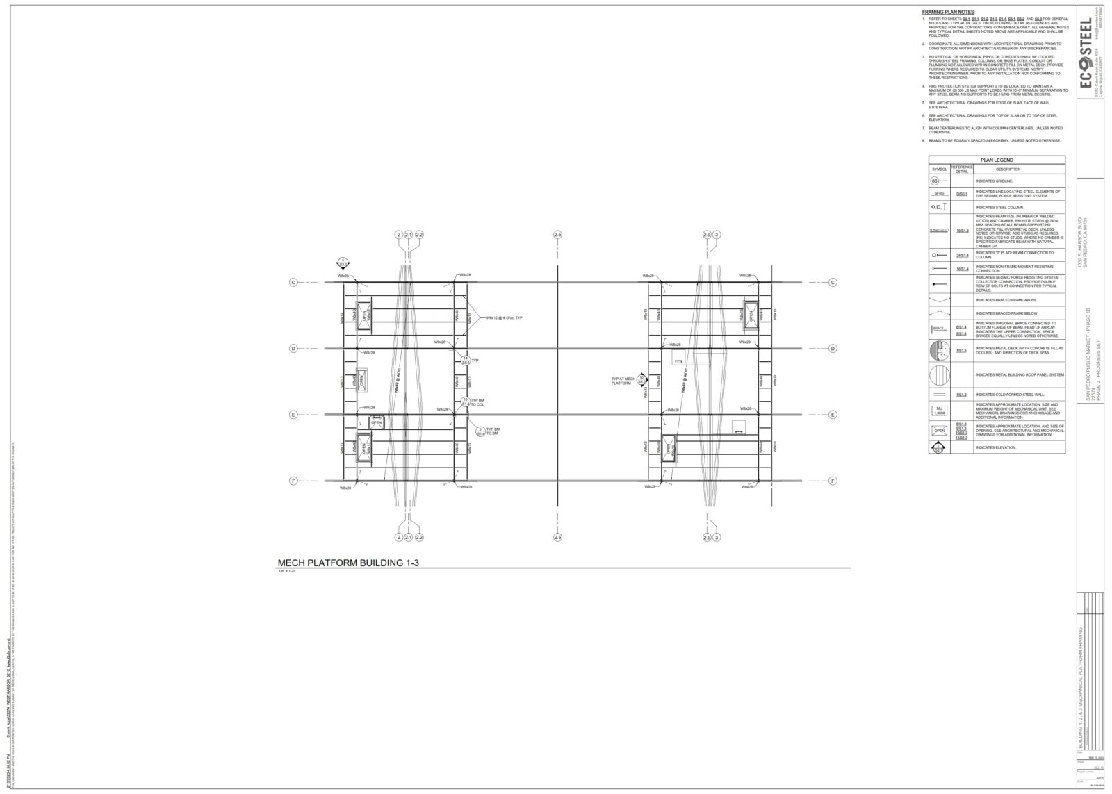
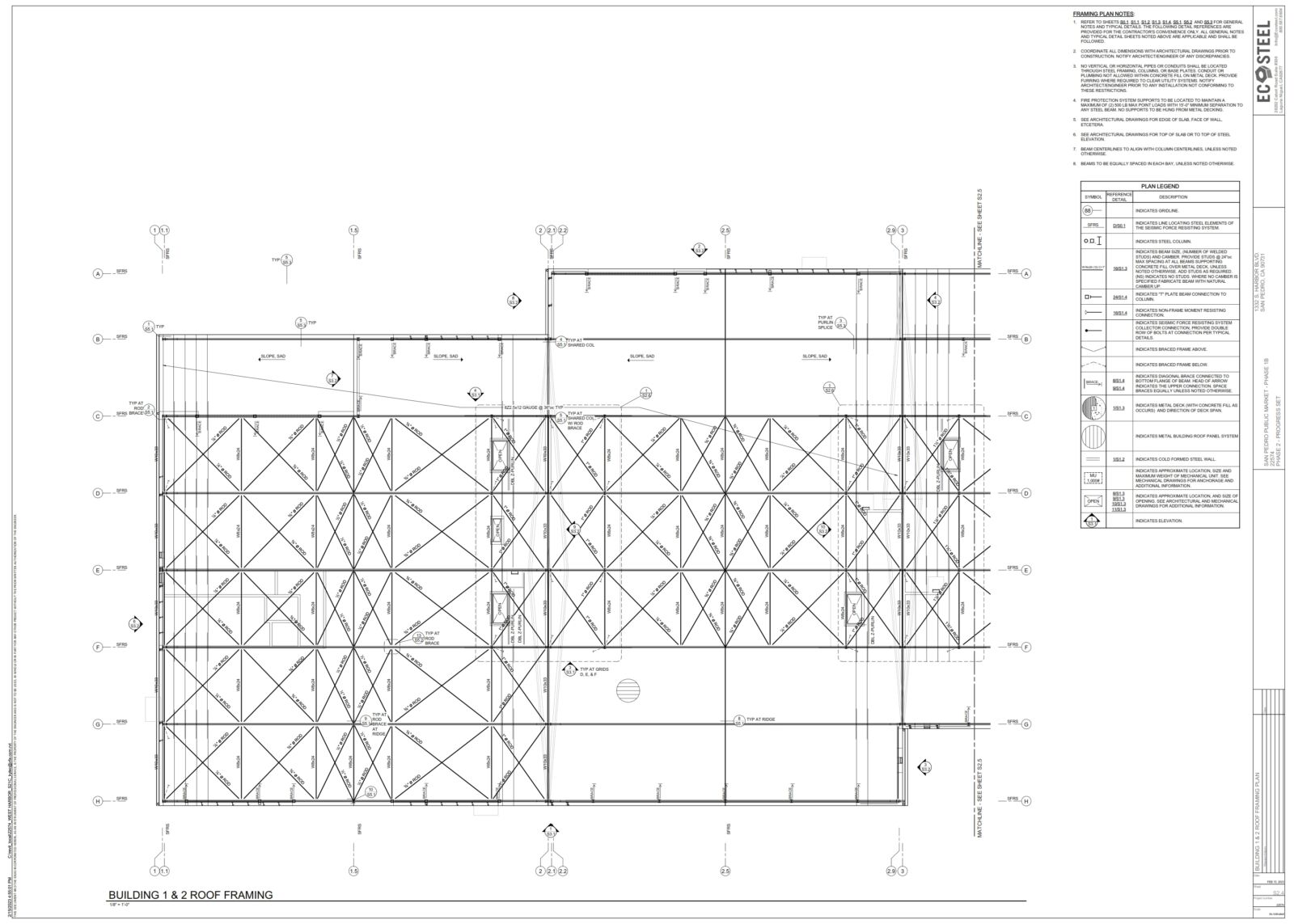
EcoSteel was selected by Jericho Development to supply the (3) pre-engineered metal buildings for Phase 1B of the long-awaited revamp of San Pedro’s Ports O’ Call Village. This 42-acre complex on the L.A. Waterfront is approved to ultimately feature more than 330,000 square feet of retail, restaurant, and other commercial uses. Plans also call for a 6,200 seat amphitheater. With requirements…
EcoSteel Building Systems
Learn more about this project
Whether you are an architect, contractor or want to build with EcoSteel, contact us today!

















































































































